Autousterka.waw.pl - Portal Motoryzacyjny: Porady, Artykuły, Nowości
Profesjonalny portal motoryzacyjny z najnowszymi informacjami i poradami
Autousterka to miejsce, gdzie pasjonaci motoryzacji spotykają się, by dzielić się wiedzą i doświadczeniem. Nasz zespół składa się z wielu autorów, którzy z zaangażowaniem piszą o wszystkim, co związane z samochodami – od najnowszych modeli, przez porady dotyczące napraw, aż po praktyczne wskazówki dotyczące eksploatacji. Niezależnie od tego, czy jesteś doświadczonym kierowcą, czy dopiero zaczynasz swoją przygodę z motoryzacją, znajdziesz tu coś dla siebie. Zachęcamy do pozostania z nami i odkrywania fascynującego świata motoryzacji, który czeka na Ciebie na każdej stronie!
Polecane artykuły
Windforce opony - co to za firma i dlaczego warto je znać?
Poznaj firmę Windforce, producenta opon samochodowych, który oferuje doskonały stosunek jakości do ceny. Dowiedz się, dlaczego warto wybrać ich produkty!
Audi Q3 jaki silnik wybrać, aby uniknąć wysokich kosztów eksploatacji?
Wybór silnika do Audi Q3 to kluczowa decyzja. Sprawdź, jak uniknąć wysokich kosztów eksploatacji i dopasować silnik do swoich potrzeb.
Ile powinno być barów w oponach? Kluczowe informacje dla bezpieczeństwa
Sprawdź, ile powinno być barów w oponach, aby zapewnić bezpieczeństwo i wydajność jazdy. Poznaj kluczowe informacje na ten temat!
Co to maglownica i jak jej awaria wpływa na bezpieczeństwo jazdy
Dowiedz się, co to maglownica i jak jej awaria może wpłynąć na bezpieczeństwo jazdy. Zrozum kluczowe aspekty działania i konserwacji tego elementu.
Polecane artykuły
Styl, który nie kosztuje fortuny. Odmień swoje auto dzięki felgom z drugiej ręki
Zmiana wyglądu samochodu często kojarzy się z wydatkami, które potrafią skutecznie ostudzić zapał każdego fana motoryzacji. Tymczasem najprostszym sposobem na wizualną metamorfozę jest… wymiana obręczy, co wcale nie musi być drogie. Decydując się na przedmioty z obiegu wtórnego, otwierasz przed sobą świat unikalnych wzorów i modeli dostępnych za ułamek ceny salonowej.
Ile powietrza w oponach? Sprawdź, aby uniknąć niebezpieczeństw na drodze
Sprawdź, ile powietrza w oponach jest odpowiednie dla Twojego pojazdu. Utrzymaj bezpieczeństwo na drodze i wydajność jazdy dzięki prawidłowemu ciśnieniu.
Artykuły z kategorii Opony
Kategoria Alternator
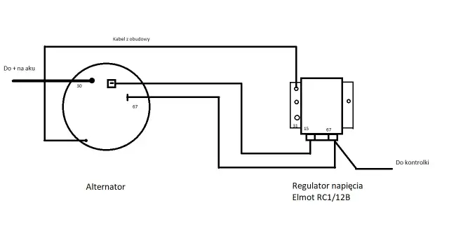
Jak podłączyć alternator do ciągnika - uniknij kosztownych błędów
Dowiedz się, jak podłączyć alternator do ciągnika, unikając kosztownych błędów. Poznaj kluczowe kroki i elementy, które zapewnią prawidłowe działanie.
Alternator do C-360 z jakiego samochodu? Oto najlepsze zamienniki
Znajdź idealny alternator do C-360 z jakiego samochodu można zastąpić. Sprawdź najlepsze zamienniki i ich parametry, aby zapewnić niezawodność traktora.
Gdzie jest alternator? Oto, jak go szybko znaleźć w samochodzie
Znajdź odpowiedź na pytanie, gdzie jest alternator w Twoim samochodzie. Sprawdź lokalizację alternatora w popularnych modelach aut i zadbaj o jego sprawność.
Jak sprawdzić alternator w ciągniku - uniknij kosztownych napraw
Sprawdź, jak ocenić działanie alternatora w ciągniku, aby uniknąć kosztownych napraw i zapewnić sprawne działanie maszyny.
Co ile wymieniać pasek alternatora, aby uniknąć kosztownych awarii?
Dowiedz się, co ile wymieniać pasek alternatora, aby uniknąć kosztownych awarii. Sprawdź zalecane interwały i objawy zużycia paska.
Kategoria Sprzęgło
Jak wyregulować sprzęgło w C330 i uniknąć kosztownych napraw
Dowiedz się, jak wyregulować sprzęgło w C330, aby poprawić wydajność i uniknąć kosztownych napraw. Sprawdź skuteczne metody i porady!